Zum Hauptinhalt springen Zur Suche springen Zur Hauptnavigation springen
Menü

Unsere Gaming-Kabel im Test


Hier zeigen wir euch sechs spannende Messergebnisse, in denen unser brandneues Gaming-Kabel direkt gegen ein anderes getestet wurde. 

Die Resultate sprechen für sich: Unsere "New Game" HDMI-Kabel machen wirklich einen Unterschied. Schaut euch unsere Diagramme an und überzeugt euch selbst, wie ein gutes Kabel eure Gaming-Performance aufs nächste Level heben kann.

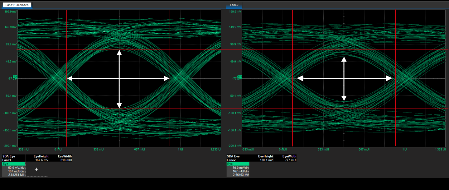
Das Augendiagramm zeigt die allgemeine Qualität des Kabels bzw. des Signals welches am Ende bei der Messung rauskommt. Das Signal bzw. Kabel ist um so besser, umso weiter das Auge in der Mitte geöffnet ist.

Getestet wurde hier unser Oehlbach Gaming Kabel (links) gegen eines der mitgelieferten Konsolen-HDMI Kabel (rechts).

In der zweiten Messung ging es um die Dämpfung. 

Das Diagramm zeigt die Dämpfung der einzelnen Datenleitungen im Kabel in dB über die Frequenz an. Je höher die Frequenz, desto höher die Datenrate im Kabel. Je höher die Kurven über der blauen Box liegen, desto weniger Verluste treten im Kabel auf.

Zusammengefasst zeigt das Diagramm die Dämpfung im Kabel in Abhängigkeit von der aktuellen Datenrate. 12Ghz steht hier für 48Gbps eines HDMI 2.1b Kabels.

Getestet wurde auch hier unser Oehlbach Gaming Kabel (1) gegen eines der mitgelieferten Konsolen-HDMI Kabel (2).